JK-50MTDP

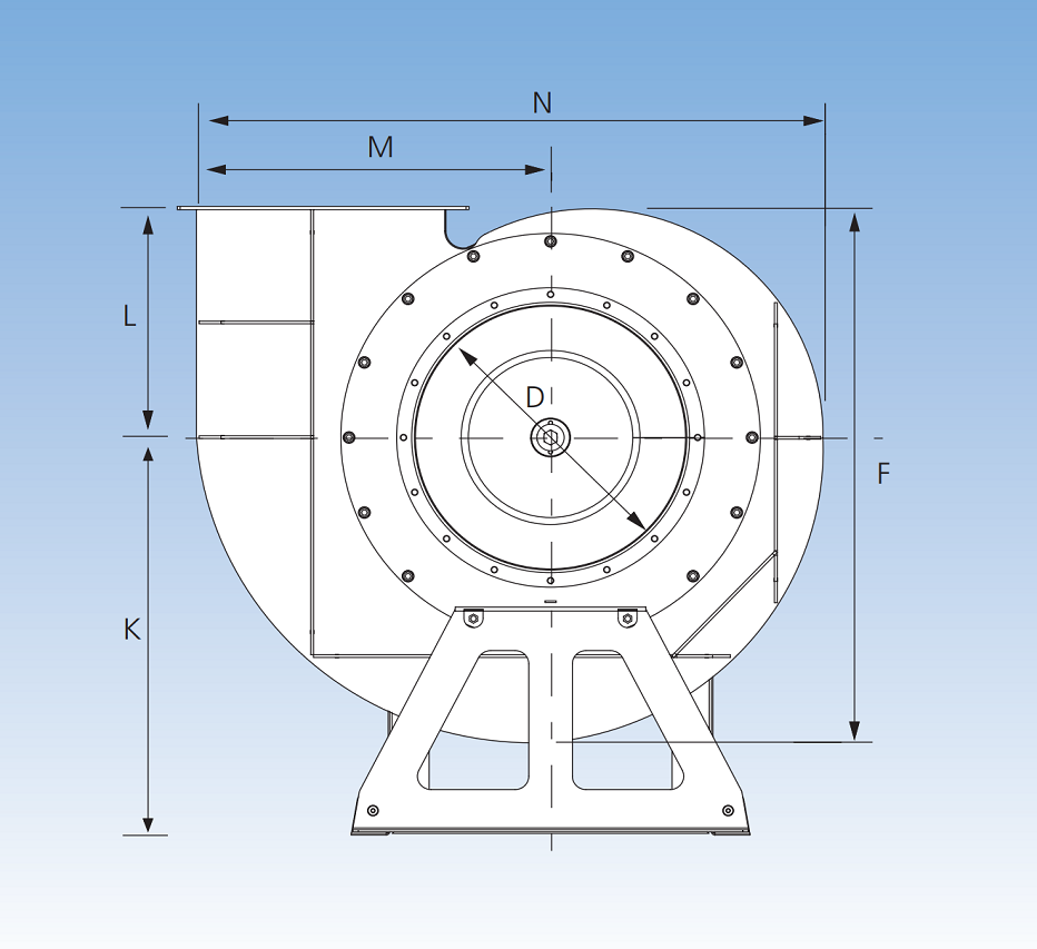
The direct drive centrifugal fan types JK-30MTDP, JK-40MTDP and JK-50MTDP are designed for material transport, e.g. wood chips and dust.

Equipped with backward-inclined blades and aerodynamic inlet spigot made from brass.

The impellers are statically and dynamically balanced.

Normally, a frequency transformer is used to control the min-1 and the air volume of the fan.

Max. internal operating temperature: 60°C

The inlet (D) is supplied with flange as standard.

Kategorie Position

Name: File type: Size:
jk50mtdp_22kw_ln.dwg .dwg 0.53 mb
Kategorie Position

Name: File type: Size:
jk50mtdp_22kw_lno.dwg .dwg 0.63 mb
Kategorie Position

Name: File type: Size:
jk50mtdp_22kw_lnv.dwg .dwg 0.62 mb
Kategorie Position

Name: File type: Size:
jk50mtdp_22kw_lo.dwg .dwg 0.52 mb
Kategorie Position

Name: File type: Size:
jk50mtdp_22kw_lsv.dwg .dwg 0.61 mb
Kategorie Position

Name: File type: Size:
jk50mtdp_22kw_lv.dwg .dwg 0.52 mb
Kategorie Position

Name: File type: Size:
jk50mtdp_22kw_rn.dwg .dwg 0.53 mb
Kategorie Position

Name: File type: Size:
jk50mtdp_22kw_rno.dwg .dwg 0.62 mb
Kategorie Position

Name: File type: Size:
jk50mtdp_22kw_rnv.dwg .dwg 0.63 mb
Kategorie Position

Name: File type: Size:
jk50mtdp_22kw_ro.dwg .dwg 0.52 mb
Kategorie Position

Name: File type: Size:
jk50mtdp_22kw_rso.dwg .dwg 0.61 mb
Kategorie Position

Name: File type: Size:
jk50mtdp_22kw_rv.dwg .dwg 0.63 mb

Kategorie Position

Name: File type: Size:
jk50mtdp_22kw_ln.stp .stp 6.57 mb
Kategorie Position

Name: File type: Size:
jk50mtdp_22kw_lno.stp .stp 6.16 mb
Kategorie Position

Name: File type: Size:
jk50mtdp_22kw_lnv.stp .stp 6.14 mb
Kategorie Position

Name: File type: Size:
jk50mtdp_22kw_lo.stp .stp 6.45 mb
Kategorie Position

Name: File type: Size:
jk50mtdp_22kw_lsv.stp .stp 6.09 mb
Kategorie Position

Name: File type: Size:
jk50mtdp_22kw_lv.stp .stp 6.25 mb
Kategorie Position

Name: File type: Size:
jk50mtdp_22kw_rn.stp .stp 6.64 mb
Kategorie Position

Name: File type: Size:
jk50mtdp_22kw_rno.stp .stp 6.78 mb
Kategorie Position

Name: File type: Size:
jk50mtdp_22kw_rnv.stp .stp 6.85 mb
Kategorie Position

Name: File type: Size:
jk50mtdp_22kw_ro.stp .stp 6.83 mb
Kategorie Position

Name: File type: Size:
jk50mtdp_22kw_rso.stp .stp 6.08 mb
Kategorie Position

Name: File type: Size:
jk50mtdp_22kw_rv.stp .stp 6.98 mb


Name: File type: Size:
Hoyer_Motor_Manual.pdf .pdf 1.95 mb

Name: File type: Size:
User_manual.pdf .pdf 3.78 mb

Name: File type: Size:
mont_jk50mtdp_22kw.pdf .pdf 3.08 mb
Filter brochure
JK-50MTDP data sheet

Read all about JK-50MTDP

Filter brochure
JK-50MTDP data sheet

Read all about JK-50MTDP

Product Position

Name: File type: Size:
jk50mtdp_22kw_ln.dwg .dwg 0.53 mb
Product Position

Name: File type: Size:
jk50mtdp_22kw_lno.dwg .dwg 0.63 mb
Product Position

Name: File type: Size:
jk50mtdp_22kw_lnv.dwg .dwg 0.62 mb
Product Position

Name: File type: Size:
jk50mtdp_22kw_lo.dwg .dwg 0.52 mb
Product Position

Name: File type: Size:
jk50mtdp_22kw_lsv.dwg .dwg 0.61 mb
Product Position

Name: File type: Size:
jk50mtdp_22kw_lv.dwg .dwg 0.52 mb
Product Position

Name: File type: Size:
jk50mtdp_22kw_rn.dwg .dwg 0.53 mb
Product Position

Name: File type: Size:
jk50mtdp_22kw_rno.dwg .dwg 0.62 mb
Product Position

Name: File type: Size:
jk50mtdp_22kw_rnv.dwg .dwg 0.63 mb
Product Position

Name: File type: Size:
jk50mtdp_22kw_ro.dwg .dwg 0.52 mb
Product Position

Name: File type: Size:
jk50mtdp_22kw_rso.dwg .dwg 0.61 mb
Product Position

Name: File type: Size:
jk50mtdp_22kw_rv.dwg .dwg 0.63 mb
Product Position

Name: File type: Size:
jk50mtdp_22kw_ln.stp .stp 6.57 mb
Product Position

Name: File type: Size:
jk50mtdp_22kw_lno.stp .stp 6.16 mb
Product Position

Name: File type: Size:
jk50mtdp_22kw_lnv.stp .stp 6.14 mb
Product Position

Name: File type: Size:
jk50mtdp_22kw_lo.stp .stp 6.45 mb
Product Position

Name: File type: Size:
jk50mtdp_22kw_lsv.stp .stp 6.09 mb
Product Position

Name: File type: Size:
jk50mtdp_22kw_lv.stp .stp 6.25 mb
Product Position

Name: File type: Size:
jk50mtdp_22kw_rn.stp .stp 6.64 mb
Product Position

Name: File type: Size:
jk50mtdp_22kw_rno.stp .stp 6.78 mb
Product Position

Name: File type: Size:
jk50mtdp_22kw_rnv.stp .stp 6.85 mb
Product Position

Name: File type: Size:
jk50mtdp_22kw_ro.stp .stp 6.83 mb
Product Position

Name: File type: Size:
jk50mtdp_22kw_rso.stp .stp 6.08 mb
Product Position

Name: File type: Size:
jk50mtdp_22kw_rv.stp .stp 6.98 mb
Kategorie Datei

Name: File type: Size:
Hoyer_Motor_Manual.pdf .pdf 1.95 mb
Kategorie Datei

Name: File type: Size:
User_manual.pdf .pdf 3.78 mb
Kategorie Datei

Name: File type: Size:
mont_jk50mtdp_22kw.pdf .pdf 3.08 mb
JK-MTDP1.PNG
JK-MTDP2.PNG
JK-MTDPint.PNG

Ähnliche Produkte

...
JK-50MTD

Ventilatorsysteme

See product
...
JK-70MTDP

Ventilatorsysteme

See product
...
JK-80MTDP

Ventilatorsysteme

See product
...
JK-90MTDP

Ventilatorsysteme

See product

Configure your own solution with our tools

Icon
Interessiert an mehr?

Kontaktieren Sie uns noch heute für ein kostenloses Beratungsgespräch! Unser Expertenteam freut sich darauf, Ihre Herausforderungen bei der Staubkontrolle zu besprechen und Ihre Fragen zu beantworten. Wir zeigen Ihnen, wie ein maßgeschneiderter Lösungsverkauf-Ansatz Ihren Arbeitsplatz verändern und Ihre Vorgehensweise bei der Entstaubung revolutionieren kann.

Kontakt