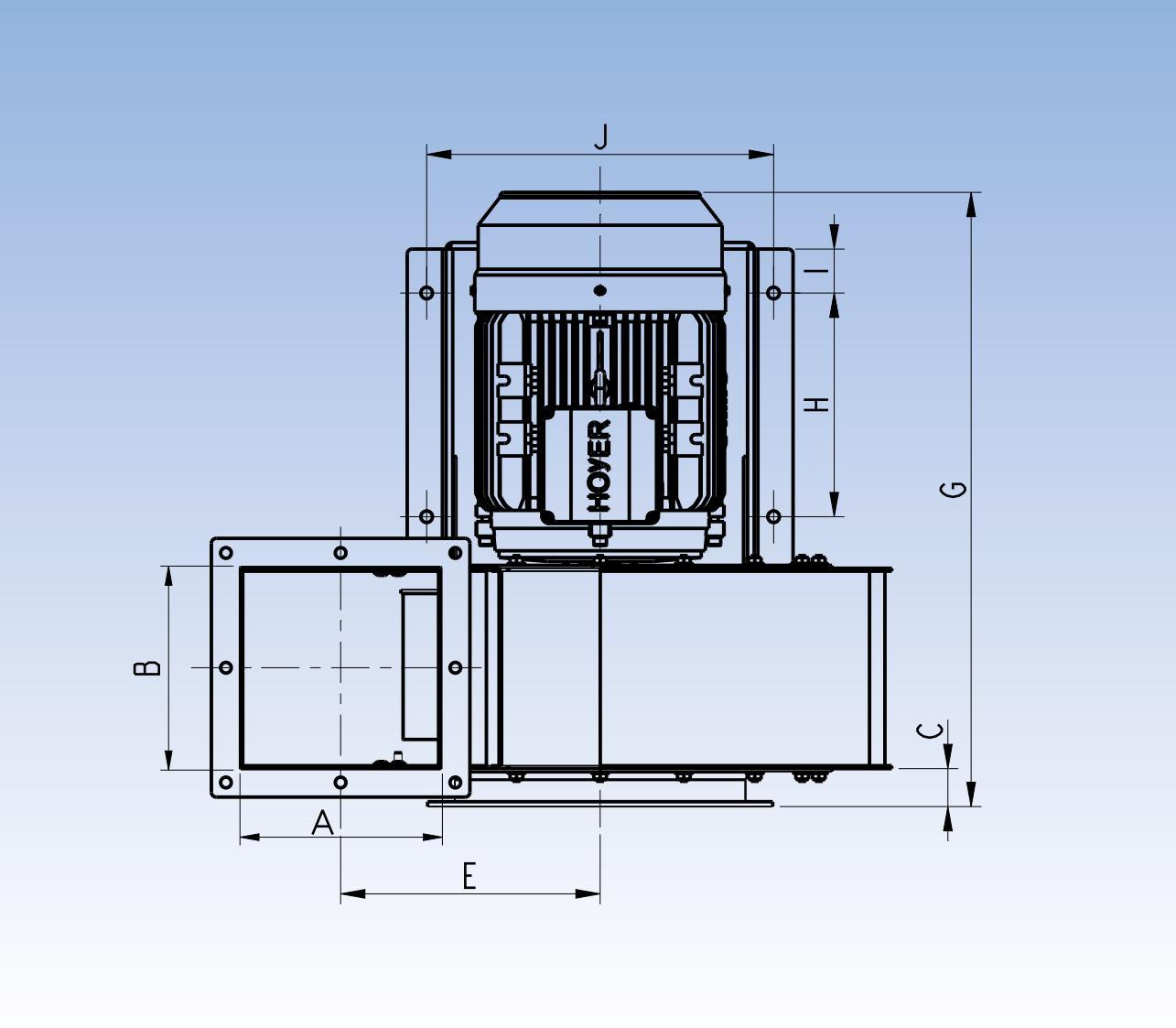
The direct drive centrifugal fan types JK-D are designed for material handling.
Equipped with self-cleaning impellers with backward-inclined blades and aerodynamic intake. The impellers are statically and dynamically balanced.
Max. internal operating temperature: 60°C
Number of blades are reduced by 2 for paper impeller.
Available in stainless steel inlet and explosion-proof (Eex) motor.
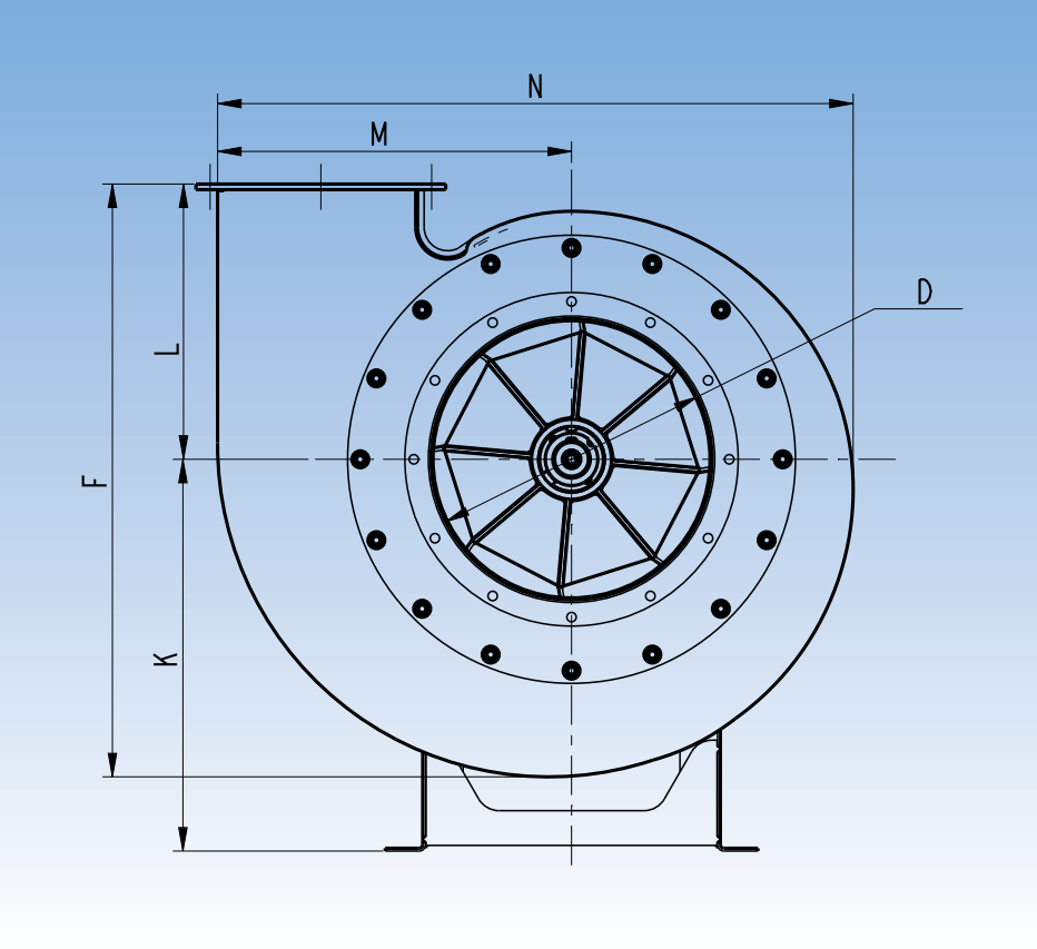
The inlet (D) is supplied with flange as standard.
If the fan is mounted in an acoustic booth, it is supplied with smooth inlet.
Specific dimensions for the outlet flanges can be found under “Flanges”.
Read all about JK-40D
Read all about JK-40D
Skontaktuj się z nami już dziś, aby uzyskać bezpłatną konsultację! Nasz zespół ekspertów z przyjemnością omówi Twoje wyzwania związane z kontrolą zapylenia i odpowie na wszelkie pytania. Pozwól nam pokazać, jak indywidualnie zaprojektowane podejście do sprzedaży rozwiązań może odmienić Twoje miejsce pracy i zrewolucjonizować Twoje podejście do odsysania pyłu.