JK-80MTDP

The direct drive centrifugal fan types JK-60MTDP, JK-70MTDP, JK-80MTDP and JK-90MTDP are designed for material transport, e.g. wood chips and dust.

Equipped with backward-inclined blades and aerodynamic inlet spigot made from brass.

The impellers are statically and dynamically balanced.

Max. internal operating temperature: 60°C

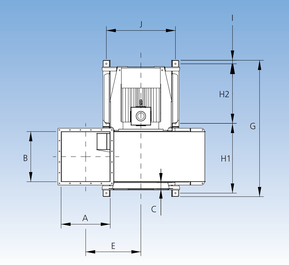
The inlet (D) is supplied with flange as standard.

Catégorie Position

Name: File type: Size:
jk80mtdp_75kw_ln.dwg .dwg 0.55 mb
Catégorie Position

Name: File type: Size:
jk80mtdp_75kw_lno.dwg .dwg 0.67 mb
Catégorie Position

Name: File type: Size:
jk80mtdp_75kw_lnv.dwg .dwg 0.67 mb
Catégorie Position

Name: File type: Size:
jk80mtdp_75kw_lo.dwg .dwg 0.55 mb
Catégorie Position

Name: File type: Size:
jk80mtdp_75kw_lsv.dwg .dwg 0.67 mb
Catégorie Position

Name: File type: Size:
jk80mtdp_75kw_lv.dwg .dwg 0.55 mb
Catégorie Position

Name: File type: Size:
jk80mtdp_75kw_rn.dwg .dwg 0.56 mb
Catégorie Position

Name: File type: Size:
jk80mtdp_75kw_rno.dwg .dwg 0.69 mb
Catégorie Position

Name: File type: Size:
jk80mtdp_75kw_rnv.dwg .dwg 0.69 mb
Catégorie Position

Name: File type: Size:
jk80mtdp_75kw_ro.dwg .dwg 0.56 mb
Catégorie Position

Name: File type: Size:
jk80mtdp_75kw_rso.dwg .dwg 0.69 mb
Catégorie Position

Name: File type: Size:
jk80mtdp_75kw_rv.dwg .dwg 0.56 mb

Catégorie Position

Name: File type: Size:
jk80mtdp_75kw_ln.stp .stp 9.1 mb
Catégorie Position

Name: File type: Size:
jk80mtdp_75kw_lno.stp .stp 7.43 mb
Catégorie Position

Name: File type: Size:
jk80mtdp_75kw_lnv.stp .stp 7.66 mb
Catégorie Position

Name: File type: Size:
jk80mtdp_75kw_lo.stp .stp 7.91 mb
Catégorie Position

Name: File type: Size:
jk80mtdp_75kw_lsv.stp .stp 7.49 mb
Catégorie Position

Name: File type: Size:
jk80mtdp_75kw_lv.stp .stp 7.85 mb
Catégorie Position

Name: File type: Size:
jk80mtdp_75kw_rn.stp .stp 9.37 mb
Catégorie Position

Name: File type: Size:
jk80mtdp_75kw_rno.stp .stp 7.95 mb
Catégorie Position

Name: File type: Size:
jk80mtdp_75kw_rnv.stp .stp 7.76 mb
Catégorie Position

Name: File type: Size:
jk80mtdp_75kw_ro.stp .stp 8.12 mb
Catégorie Position

Name: File type: Size:
jk80mtdp_75kw_rso.stp .stp 7.75 mb
Catégorie Position

Name: File type: Size:
jk80mtdp_75kw_rv.stp .stp 9.17 mb


Name: File type: Size:
mont_jk80mtdp_75_rv.pdf .pdf 5.99 mb

Name: File type: Size:
User_manual.pdf .pdf 3.78 mb
Filter brochure
JK-80MTDP data sheet

Read all about JK-80MTDP

Filter brochure
JK-80MTDP data sheet

Read all about JK-80MTDP

Product Position

Name: File type: Size:
jk80mtdp_75kw_ln.dwg .dwg 0.55 mb
Product Position

Name: File type: Size:
jk80mtdp_75kw_lno.dwg .dwg 0.67 mb
Product Position

Name: File type: Size:
jk80mtdp_75kw_lnv.dwg .dwg 0.67 mb
Product Position

Name: File type: Size:
jk80mtdp_75kw_lo.dwg .dwg 0.55 mb
Product Position

Name: File type: Size:
jk80mtdp_75kw_lsv.dwg .dwg 0.67 mb
Product Position

Name: File type: Size:
jk80mtdp_75kw_lv.dwg .dwg 0.55 mb
Product Position

Name: File type: Size:
jk80mtdp_75kw_rn.dwg .dwg 0.56 mb
Product Position

Name: File type: Size:
jk80mtdp_75kw_rno.dwg .dwg 0.69 mb
Product Position

Name: File type: Size:
jk80mtdp_75kw_rnv.dwg .dwg 0.69 mb
Product Position

Name: File type: Size:
jk80mtdp_75kw_ro.dwg .dwg 0.56 mb
Product Position

Name: File type: Size:
jk80mtdp_75kw_rso.dwg .dwg 0.69 mb
Product Position

Name: File type: Size:
jk80mtdp_75kw_rv.dwg .dwg 0.56 mb
Product Position

Name: File type: Size:
jk80mtdp_75kw_ln.stp .stp 9.1 mb
Product Position

Name: File type: Size:
jk80mtdp_75kw_lno.stp .stp 7.43 mb
Product Position

Name: File type: Size:
jk80mtdp_75kw_lnv.stp .stp 7.66 mb
Product Position

Name: File type: Size:
jk80mtdp_75kw_lo.stp .stp 7.91 mb
Product Position

Name: File type: Size:
jk80mtdp_75kw_lsv.stp .stp 7.49 mb
Product Position

Name: File type: Size:
jk80mtdp_75kw_lv.stp .stp 7.85 mb
Product Position

Name: File type: Size:
jk80mtdp_75kw_rn.stp .stp 9.37 mb
Product Position

Name: File type: Size:
jk80mtdp_75kw_rno.stp .stp 7.95 mb
Product Position

Name: File type: Size:
jk80mtdp_75kw_rnv.stp .stp 7.76 mb
Product Position

Name: File type: Size:
jk80mtdp_75kw_ro.stp .stp 8.12 mb
Product Position

Name: File type: Size:
jk80mtdp_75kw_rso.stp .stp 7.75 mb
Product Position

Name: File type: Size:
jk80mtdp_75kw_rv.stp .stp 9.17 mb
Catégorie Fichier

Name: File type: Size:
mont_jk80mtdp_75_rv.pdf .pdf 5.99 mb
Catégorie Fichier

Name: File type: Size:
User_manual.pdf .pdf 3.78 mb
JK-80MTDP Fan Dimension B
JK-80MTDP Fan Dimension A
JK-80MTDP Fan Dimension C

Produits connexes

...
JK-60MTDP

Systèmes de ventilateurs

See product
...
JK-70MTDP

Systèmes de ventilateurs

See product
...
JK-80MTD

Systèmes de ventilateurs

See product
...
JK-90MTDP

Systèmes de ventilateurs

See product

Configure your own solution with our tools

Icon
Vous souhaitez en savoir plus ?

Contactez-nous dès aujourd'hui pour une consultation gratuite ! Notre équipe d'experts sera ravie de discuter de vos défis en matière de contrôle des poussières et de répondre à toutes vos questions. Laissez-nous vous montrer comment une approche de vente de solutions sur mesure peut transformer votre lieu de travail et révolutionner votre approche du dépoussiérage.

Contactez nous