JK-90MT

The indirect drive centrifugal fan types JK-30MT - JK-100MT are designed for transport of clean air.

Equipped with self-cleaning impellers with backward-inclined blades and aerodynamic intake. The impellers are statically and dynamically balanced.

The pulleys are shaft-mounted with taperlock bushing, allowing easy replacement for changed fan speed.

Max. internal operating temperature: 60°C

With cooling wings: Up to 200°C

Available in stainless steel inlet and explosion-proof (Eex) motor.

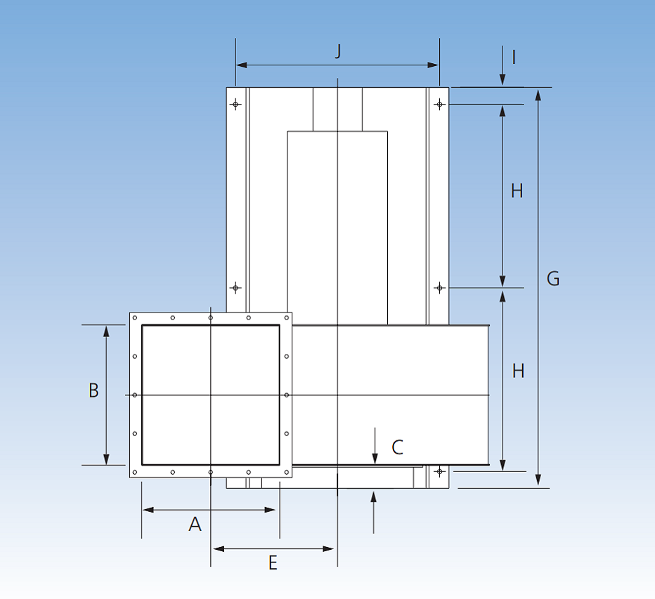
Dimensions (D) for the inlet are external. Supplied with flange as standard.

Belt drive is anti-static.

Kategori Position

Name: File type: Size:
jk90mt_75kw_ln.dwg .dwg 446.47 kb
Kategori Position

Name: File type: Size:
jk90mt_75kw_lno.dwg .dwg 0.55 mb
Kategori Position

Name: File type: Size:
jk90mt_75kw_lnv.dwg .dwg 0.52 mb
Kategori Position

Name: File type: Size:
jk90mt_75kw_lo.dwg .dwg 448.55 kb
Kategori Position

Name: File type: Size:
jk90mt_75kw_lsv.dwg .dwg 0.49 mb
Kategori Position

Name: File type: Size:
jk90mt_75kw_lv.dwg .dwg 440.26 kb
Kategori Position

Name: File type: Size:
jk90mt_75kw_rn.dwg .dwg 449.93 kb
Kategori Position

Name: File type: Size:
jk90mt_75kw_rno.dwg .dwg 0.55 mb
Kategori Position

Name: File type: Size:
jk90mt_75kw_rnv.dwg .dwg 0.51 mb
Kategori Position

Name: File type: Size:
jk90mt_75kw_ro.dwg .dwg 448.13 kb
Kategori Position

Name: File type: Size:
jk90mt_75kw_rso.dwg .dwg 0.52 mb
Kategori Position

Name: File type: Size:
jk90mt_75kw_rv.dwg .dwg 440.57 kb

Kategori Position

Name: File type: Size:
jk90mt_75kw_ln.stp .stp 2.96 mb
Kategori Position

Name: File type: Size:
jk90mt_75kw_lno.stp .stp 3.0 mb
Kategori Position

Name: File type: Size:
jk90mt_75kw_lnv.stp .stp 2.94 mb
Kategori Position

Name: File type: Size:
jk90mt_75kw_lo.stp .stp 2.97 mb
Kategori Position

Name: File type: Size:
jk90mt_75kw_lsv.stp .stp 2.47 mb
Kategori Position

Name: File type: Size:
jk90mt_75kw_lv.stp .stp 2.82 mb
Kategori Position

Name: File type: Size:
jk90mt_75kw_rn.stp .stp 3.02 mb
Kategori Position

Name: File type: Size:
jk90mt_75kw_rno.stp .stp 2.93 mb
Kategori Position

Name: File type: Size:
jk90mt_75kw_rnv.stp .stp 3.0 mb
Kategori Position

Name: File type: Size:
jk90mt_75kw_ro.stp .stp 2.82 mb
Kategori Position

Name: File type: Size:
jk90mt_75kw_rso.stp .stp 2.48 mb
Kategori Position

Name: File type: Size:
jk90mt_75kw_rv.stp .stp 2.93 mb


Name: File type: Size:
D100058_Fitting_and_service_instructions_for_taper_lock_bushings_pulleys_and_drive_belts.pdf .pdf 2.79 mb

Name: File type: Size:
Declaration_of_conformity.pdf .pdf 121.46 kb

Name: File type: Size:
Hoyer_Motor_Manual.pdf .pdf 1.95 mb

Name: File type: Size:
User_manual.pdf .pdf 3.78 mb

Name: File type: Size:
mont_jk90mt.pdf .pdf 6.85 mb
Filter brochure
JK-90MT data sheet

Read all about JK-90MT

Filter brochure
JK-90MT data sheet

Read all about JK-90MT

Product Position

Name: File type: Size:
jk90mt_75kw_ln.dwg .dwg 446.47 kb
Product Position

Name: File type: Size:
jk90mt_75kw_lno.dwg .dwg 0.55 mb
Product Position

Name: File type: Size:
jk90mt_75kw_lnv.dwg .dwg 0.52 mb
Product Position

Name: File type: Size:
jk90mt_75kw_lo.dwg .dwg 448.55 kb
Product Position

Name: File type: Size:
jk90mt_75kw_lsv.dwg .dwg 0.49 mb
Product Position

Name: File type: Size:
jk90mt_75kw_lv.dwg .dwg 440.26 kb
Product Position

Name: File type: Size:
jk90mt_75kw_rn.dwg .dwg 449.93 kb
Product Position

Name: File type: Size:
jk90mt_75kw_rno.dwg .dwg 0.55 mb
Product Position

Name: File type: Size:
jk90mt_75kw_rnv.dwg .dwg 0.51 mb
Product Position

Name: File type: Size:
jk90mt_75kw_ro.dwg .dwg 448.13 kb
Product Position

Name: File type: Size:
jk90mt_75kw_rso.dwg .dwg 0.52 mb
Product Position

Name: File type: Size:
jk90mt_75kw_rv.dwg .dwg 440.57 kb
Product Position

Name: File type: Size:
jk90mt_75kw_ln.stp .stp 2.96 mb
Product Position

Name: File type: Size:
jk90mt_75kw_lno.stp .stp 3.0 mb
Product Position

Name: File type: Size:
jk90mt_75kw_lnv.stp .stp 2.94 mb
Product Position

Name: File type: Size:
jk90mt_75kw_lo.stp .stp 2.97 mb
Product Position

Name: File type: Size:
jk90mt_75kw_lsv.stp .stp 2.47 mb
Product Position

Name: File type: Size:
jk90mt_75kw_lv.stp .stp 2.82 mb
Product Position

Name: File type: Size:
jk90mt_75kw_rn.stp .stp 3.02 mb
Product Position

Name: File type: Size:
jk90mt_75kw_rno.stp .stp 2.93 mb
Product Position

Name: File type: Size:
jk90mt_75kw_rnv.stp .stp 3.0 mb
Product Position

Name: File type: Size:
jk90mt_75kw_ro.stp .stp 2.82 mb
Product Position

Name: File type: Size:
jk90mt_75kw_rso.stp .stp 2.48 mb
Product Position

Name: File type: Size:
jk90mt_75kw_rv.stp .stp 2.93 mb
Kategori Fil

Name: File type: Size:
D100058_Fitting_and_service_instructions_for_taper_lock_bushings_pulleys_and_drive_belts.pdf .pdf 2.79 mb
Kategori Fil

Name: File type: Size:
Declaration_of_conformity.pdf .pdf 121.46 kb
Kategori Fil

Name: File type: Size:
Hoyer_Motor_Manual.pdf .pdf 1.95 mb
Kategori Fil

Name: File type: Size:
User_manual.pdf .pdf 3.78 mb
Kategori Fil

Name: File type: Size:
mont_jk90mt.pdf .pdf 6.85 mb
JK-MT1.PNG
JK-MT2.PNG
JK-MTint.PNG

Senest besøgte projekter

...
JK-70MT

Ventilatorsystemer

See product
...
JK-80MT

Ventilatorsystemer

See product
...
JK-90MTD

Ventilatorsystemer

See product
...
JK-90MTDP

Ventilatorsystemer

See product

Configure your own solution with our tools

Icon
Er du interesseret i mere?

Kontakt os i dag for en gratis konsultation! Vores team af eksperter vil med glæde diskutere dine udfordringer med støvkontrol og besvare eventuelle spørgsmål. Lad os vise dig, hvordan en specialdesignet Solution Sales-tilgang kan forvandle din arbejdsplads og revolutionere din tilgang til procesventilation.

Kontakt os